您好!欢迎光临泰兴市航宇接插件有限公司网站!
※
返回首页
※
联系我们
※
在线留言
网站首页
关于我们
荣誉资质
产品展示
新闻中心
联系我们
电连接器加工一站式供应商
设计定制、生产加工、整机装配、设备接线
客户咨询服务热线:
15152489668
热门搜索:
您的位置:
主页
>
产品展示
> Y27系列圆形电连接器
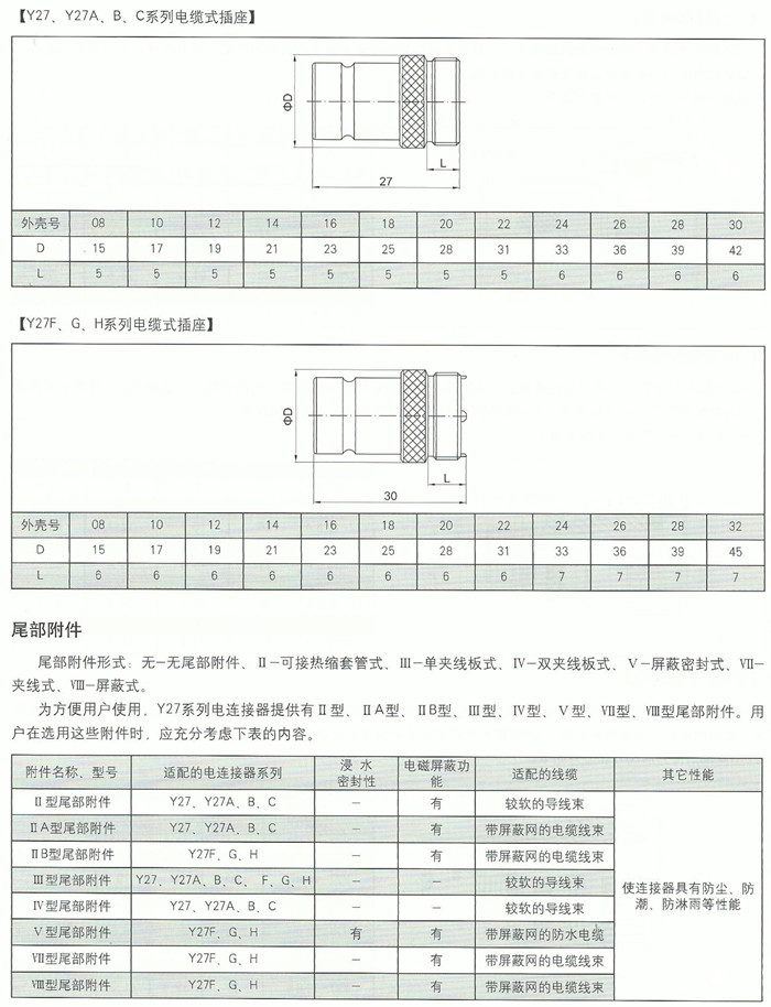
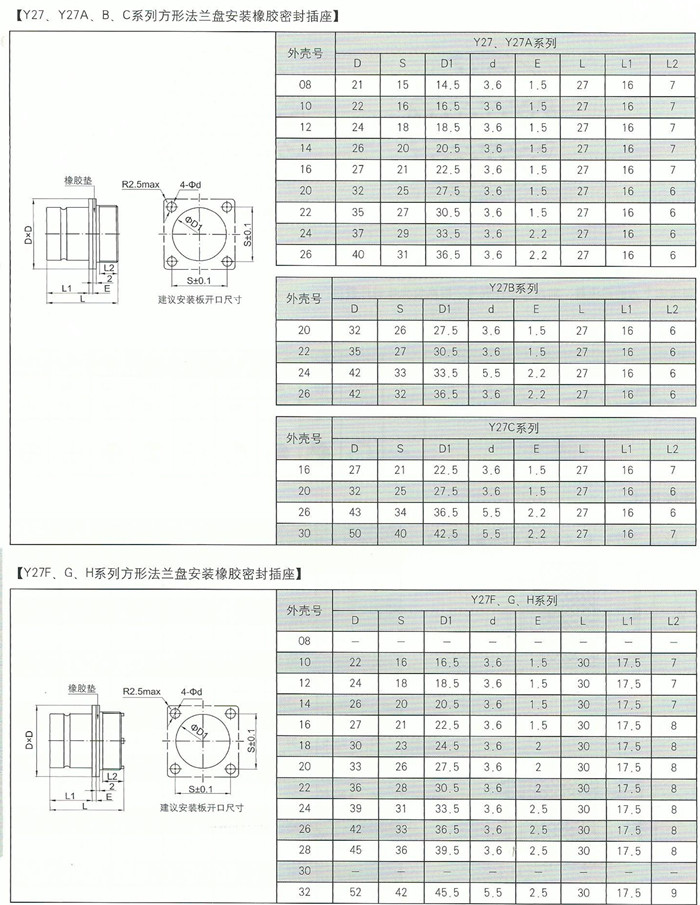
Y27系列圆形电连接器
作者:Y27系列圆形电连接器 发布时间:2019-10-10 浏览次数: 1239
上一篇:
Y17系列圆形电连接器
下一篇:
Y50EX系列圆形电连接器
[返回]
相关产品指引
Y50EX系列圆形电连接器
QQ咨询
服务热线
15152489668
关注微信
返回顶部